还没有会员账号?免费注册登录

忘记密码?

注册

本注册必须经过管理员审核后方可登录
注册时请填写您的真实信息,否则将无法通过审核!

忘记密码

请输入你需要找回登录密码的账户名

用户名将会发送您的注册邮箱,请注意查收!

欢迎访问龙合官网! 登录 | 注册
热线

销售热线:0597-5639065

服务热线:400-0597-828


转向车

转向车 属于 转向车 在线咨询
产品详情请致电400-0597-828
  • 产品介绍
  • 产品参数
  • 应用视频
  • 手册下载

● 转运车广泛使用于机场、大型工厂、社区、大型展览中心等场所,主要用于货物、设备等物资的转运,转运车具有强劲的载重能力,稳健扎实的底盘。

● 转向车能实现快速、安全、方便的货物转运,降低人工成本和时间,提高了使用过程中的安全性;

● 适用于3.5T以下货物的转运;

● 表面处理:喷漆(按销售订单处理)


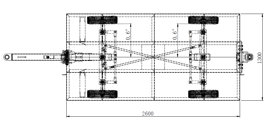
1、承载:3500kg

2、外形尺寸:2600x1300x550

3、最高速度:12.5km/m

4、轮子尺寸:5.00-8

5、自重约:538kg


应用视频

友情链接:

COPYRIGHT 2017 龙合智能装备制造有限公司 All Rights Reserved.   备案号:闽ICP备09043733号

关注龙合智能
微信公众平台